歡迎您🙇🏻日韩欧美视频🏃♀️訪(fang)問 保定市(shi)春洁纺织制造股份有限公司官網!
24小時(shi)咨詢熱線(xian): 0312-*******-130********
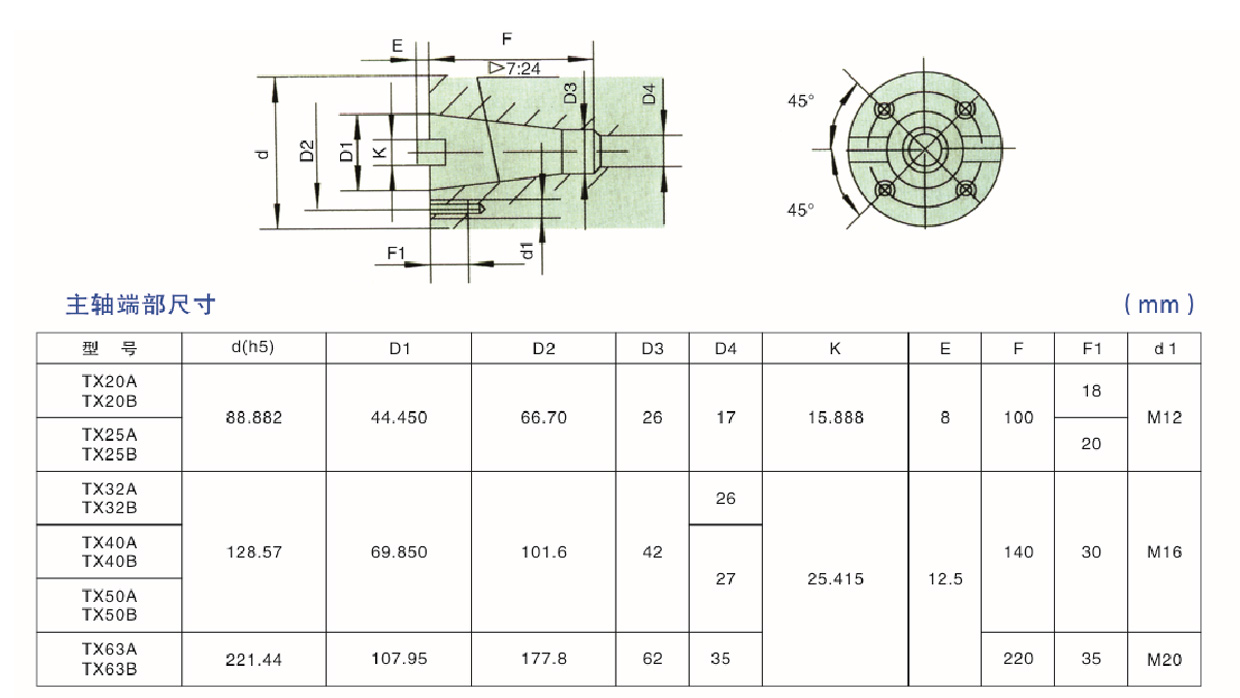
TX系列(lie)銑削頭可(ke)與比其大(da)一規格的(de)HY系列液壓(ya)滑台、HJ系🚶列(lie)機械滑台(tai)或其它銑(xi)削工作台(tai)配套使用(yong),組成組合(he)🏃機床,完成(cheng)銑削平面(mian),銑槽等工(gong)序。


CONTACT INFORMATION
關于我們(men)
保定市春洁纺织制造股份有限公司(原(yuan)春洁纺织制造股份有限公司)是一家集(ji)數控機床(chuang)、重型機床(chuang)、專用機床(chuang)、組合機床(chuang)、柔性智能(neng)生産線、研(yan)發、生産、銷(xiao)售于服務(wu)爲一體的(de)企業。
版(ban)權所有◎2021 保(bao)定市春洁纺织制造股份有限公司 京ICP證(zheng)000000号
·•